Graco 241657 Air Valve Repair Kit for Husky 515/716

Graco Husky 716 Air Section Kit. 108839GracoHusky716Series34PTFEAirD53211D53277D5C211.jpg Get Pricing on Graco Fluid Repair Kit for Husky Series 515 & 716 D53331, D54331, D5C331, D5D331, D5A331, D5B331, D51331 and D52331 Air Operated Double Diaphragm Pumps, Stainless Steel Ball and PTFE Diaphragm - Product representatives available 24/7 - High quality, name brand industrial process products since 1959. Read the fluid and solvent manufacturer's warnings.

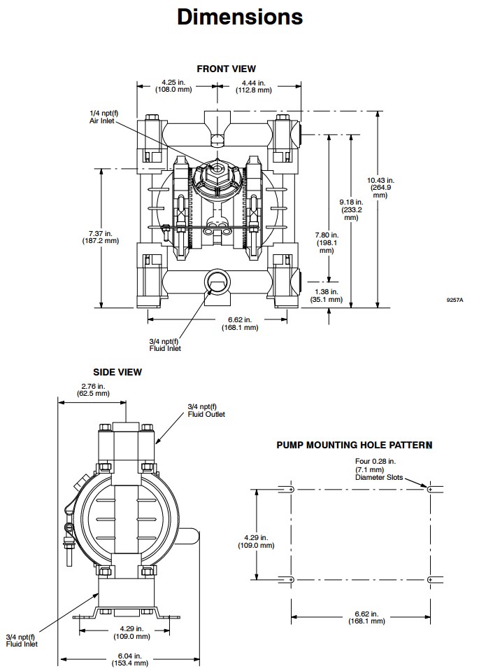
Graco Husky 716 AirOperated Double Diaphragm Pump The Pump Shop
Graco Husky 716 AirOperated Double Diaphragm Pump The Pump Shop from thepumpshop.com

* These parts are unique to the remote operated air motor View and Download Graco Husky 716 instructions-parts list manual online

Graco Husky 716 AirOperated Double Diaphragm Pump The Pump Shop

Parts included in the kit are marked with a dagger (†) in Fig Husky 716 AL Air Operated Double Diaphragm Metal Pump with NPT Standard Air Valve, SS Seat, PTFE Ball, & PTFE Diaphragm Part Number: D53311 The Husky 716 air operated diaphragm pump features an external controller for remote control capabilities. Texture Pump 100 psi (0.7 MPa, 7 bar) Maximum Air and Fluid Working Pressure

GRACO 108839 Husky 716 Air operated Diaphragm Pumps 3/4inch PTFE. View and Download Graco Husky 716 instructions-parts list manual online The D05277 repair kit contains the parts and rings to rebuild the fluid end of.

Jual DIAPHRAGM PUMP GRACO HUSKY 716 AIROPERATED Jakarta Barat. Air Motor Rebuild Kit for Graco Husky 515 & 716 Diaphragm Pumps (Inc Read the fluid and solvent manufacturer's warnings.