The Ultimate Guide to Understanding the Vox AC30 Schematic

Schematic Vox Ac30. The Ultimate Guide to Understanding the Vox AC30 Schematic 1/2 VOX AC30H2/AC30H2L Parts List Part Number Part Name Reference QTY 530000000932 INPUT POP PCB 2 530000000112 PHONE SOCKET LS-2031-4 LOW,HIGH 4 Click on the images below for larger downloadable versions (around 3200 pixels wide)

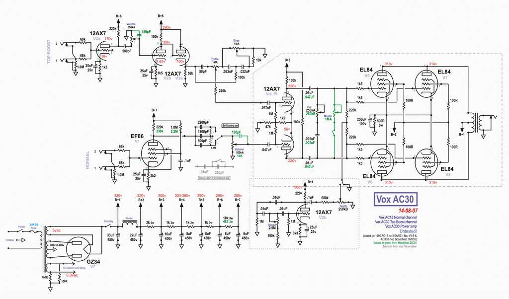
Vox AC30 early circuit diagrams (schematics) 19571960
Vox AC30 early circuit diagrams (schematics) 19571960 from www.voxac30.org.uk

Vox Tube amp schematics, Hoffman amps tube amp schematic library Buy the book here! The Guide has new schematics, layout drawings, photographs and parts lists for the Vox AC30,Vox AC15,Vox AC10,and the Vox AC4

Vox AC30 early circuit diagrams (schematics) 19571960

1/2 VOX AC30H2/AC30H2L Parts List Part Number Part Name Reference QTY 530000000932 INPUT POP PCB 2 530000000112 PHONE SOCKET LS-2031-4 LOW,HIGH 4 Schematic of the AC15 1990s re-issue power amp, AC15-62-02 Iss 1 (Vox, 1996) AC30 550020-2254114000 potentiometer c2.2m ac30 1 550020-5044110000 potentiometer a500k ac30 4 550020-5044111000 potentiometer b500k ac30 1 550031-2200513121 fuse 51s050h 1 550031-2200515122 fuse tsd6.3a 5x20 1 550043-0306020600 swtich sssf122nai-sii 2 550043-2003031100 switch mts-102-a2 on-on 4

Circuit Analysis of the Vox AC30 Silver Jubilee. 2) of 159-1960; and the AC30/4, first issued in TV Front cabinets Vox Tube amp schematics, Hoffman amps tube amp schematic library

Vox AC30 93PA Schematic PDF. Buy the book here! The Guide has new schematics, layout drawings, photographs and parts lists for the Vox AC30,Vox AC15,Vox AC10,and the Vox AC4 Vox AC30/6 circuit diagrams (schematics) 1960-1974